Product Summary
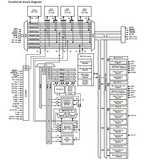
The TMS320C30GEL40 is a 32-bit floating-point processor manufactured in 0.7-µm triple-level-metal CMOS technology. The device optimizes speed by implementing functions in hardware that other processors implement through software or microcode.
Parametrics
Absolute maximum ratings: (1)Supply voltage range: –0.3 V to 7 V; (2)Input voltage range:– 0.3 V to 7 V; (3)Output voltage range:–0.3 V to 7 V; (4)Continuous power dissipation:3.15 W ; (5)Operating case temperature range:0℃ to 85℃; (6)Storage temperature range:–55℃ to 150℃.
Features
Features: (1)32-Bit High-Performance CPU; (2)16- /32-Bit Integer and 32- /40-Bit Floating-Point Operations; (3)32-Bit Instruction Word, 24-Bit Addresses; (4)Two 1K × 32-Bit Single-Cycle Dual-Access On-Chip RAM Blocks; (5)One 4K × 32-Bit Single-Cycle Dual-Access On-Chip ROM Block; (6)Two 32-Bit External Ports; (7)24- and 13-Bit Addresses; (8)0.7-μm Enhanced Performance Implanted CMOS (EPIC) Technology; (9)208-Pin Plastic Quad Flat Package(PPM Suffix); (10)181-Pin Grid Array Ceramic Package(GEL Suffix); (11)Eight Extended-Precision Registers; (12)Block-Repeat Capability; (13)Zero-Overhead Loops With Single-Cycle Branches; (14)Conditional Calls and Returns.
Diagrams

| Image | Part No | Mfg | Description | ![]() |
Pricing (USD) |
Quantity | ||||
|---|---|---|---|---|---|---|---|---|---|---|
![]() |
![]() TMS320C30GEL40 |
![]() Texas Instruments |
![]() Digital Signal Processors & Controllers (DSP, DSC) 320C30 PG5 0.8 UM |
![]() Data Sheet |
![]() Negotiable |
|
||||
| Image | Part No | Mfg | Description | ![]() |
Pricing (USD) |
Quantity | ||||
![]() |
![]() TMS3112 |
![]() Other |
![]() |
![]() Data Sheet |
![]() Negotiable |
|
||||
![]() |
![]() TMS3121 |
![]() Other |
![]() |
![]() Data Sheet |
![]() Negotiable |
|
||||
![]() |
![]() TMS320 |
![]() Other |
![]() |
![]() Data Sheet |
![]() Negotiable |
|
||||
![]() |
![]() TMS32010 |
![]() Other |
![]() |
![]() Data Sheet |
![]() Negotiable |
|
||||
![]() |
![]() TMS320AV7110 |
![]() Other |
![]() |
![]() Data Sheet |
![]() Negotiable |
|
||||
![]() |
![]() TMS320BC51PQ100 |
![]() Texas Instruments |
![]() Digital Signal Processors & Controllers (DSP, DSC) TMS320C51PQ - 132QFP - 100MHZ/BOOT CODE |
![]() Data Sheet |
![]() Negotiable |
|
||||
(China (Mainland))







