Product Summary
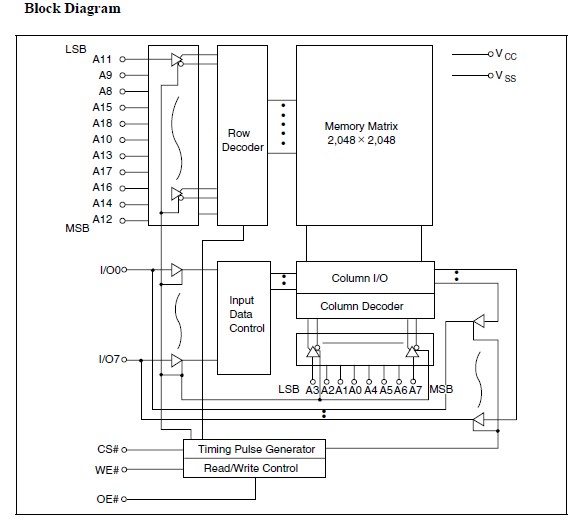
The R1LP0408CSC-5SC is a 4-Mbit static RAM organized 512-kword × 8-bit. It has realized higher density, higher performance and low power consumption by employing CMOS process technology (6-transistor memory cell). The R1LP0408CSC-5SC offers low power standby power dissipation; therefore, it is suitable for battery backup systems. It has packaged in 32-pin TSOP II.
Parametrics
Absolute maximum ratings: (1)Power supply voltage relative to VSS, VCC: -0.5 to +7.0 V; (2)Terminal voltage on any pin relative to VSS, VT: -0.5 to VCC + 0.3 V; (3)Power dissipation, PT: 0.7 W; (4)Operating temperature, Topr: -20 to +70 ℃; (5)Storage temperature range, Tstg: -65 to +150 ℃; (6)Storage temperature range under bias, Tbias: -20 to +85 ℃.
Features
Features: (1)Single 5 V supply: 5 V ±10%; (2)Access time: 55/70 ns (max); (3)Power dissipation: Active: 10 mW/MHz (typ); Standby: 4 μw (typ); (4)Completely static memory: No clock or timing strobe required; (5)Equal access and cycle times; (6)Common data input and output: Three state output; (7)Directly TTL compatible: All inputs and outputs; (8)Battery backup operation; (9)Operating temperature: -20 to +70℃.
Diagrams

![]()  | 
                            ![]() R1LP0108ESA-5SI#B0  | 
                            ![]()  | 
                            ![]() IC SRAM 8BIT 55NS 32STSOP  | 
                            ![]() Data Sheet  | 
                            ![]() 
  | 
                            
                            	 | 
                      ||||||||||||||||||||||
![]()  | 
                            ![]() R1LP0108ESA-5SI#S0  | 
                            ![]()  | 
                            ![]() IC SRAM 8BIT 55NS 32STSOP  | 
                            ![]() Data Sheet  | 
                            ![]() 
  | 
                            
                            	 | 
                      ||||||||||||||||||||||
![]()  | 
                            ![]() R1LP0108ESA-5SR#B0  | 
                            ![]()  | 
                            ![]() IC SRAM 8BIT 55NS 32STSOP  | 
                            ![]() Data Sheet  | 
                            ![]() 
  | 
                            
                            	 | 
                      ||||||||||||||||||||||
![]()  | 
                            ![]() R1LP0108ESA-5SR#S0  | 
                            ![]()  | 
                            ![]() IC SRAM 8BIT 55NS 32STSOP  | 
                            ![]() Data Sheet  | 
                            ![]() 
  | 
                            
                            	 | 
                      ||||||||||||||||||||||
![]()  | 
                            ![]() R1LP0108ESA-7SI#B0  | 
                            ![]()  | 
                            ![]() IC SRAM 8BIT 70NS 32STSOP  | 
                            ![]() Data Sheet  | 
                            ![]() 
  | 
                            
                            	 | 
                      ||||||||||||||||||||||
![]()  | 
                            ![]() R1LP0108ESA-7SI#S0  | 
                            ![]()  | 
                            ![]() IC SRAM 8BIT 70NS 32STSOP  | 
                            ![]() Data Sheet  | 
                            ![]() 
  | 
                            
                            	 | 
                      ||||||||||||||||||||||
 (China (Mainland)) 
                         
                        
                                    






